mail.sensorica.by@gmail.com +375 29-697-00-02 контактный телефон a1

BORE02 оптический фотобарьер variant BORE02-S25000-64-20-P01

Артикул(Код товара): BORE02-S25000-64-20-P01

Консультация и подбор оборудования:

ПозвонитьОнлайн-заявка
Количество лучей: 
64 луча
Ширина барьера: 
25000 мм
Разрешение: 
20 мм (защита пальцев рук)
Контролируемая высота барьера: 
1280 мм

Описание

Фотобарьер серии «BORE»  – электронное устройство промышленной безопасности, обеспечивающее ограничение доступа человека и посторонних предметов к представляющим опасность машинам, механизмам и их частям согласно нормам ГОСТ IEC 61496-1-2016.

   • Устройство относится к Типу 4 (высший тип безопасности) надёжности согласно ГОСТ IEC 61496-1-2016.

   • Устройство соответствует наивысшим максимально достижимым требованиям к уровню безопасности SIL 3, SIL cl 3 и PL e согласно IEC 61508, IEC 62061 и ISO 13849-1 соответственно.


   • Устройство соответствует ТР ТС 004/2011 «О безопасности низковольтного оборудования».

   • Устройство соответствует ТР ТС 020/2011 «Электромагнитная совместимость технических средств».

Оптический барьер (завеса безопасности) применяется для контроля опасных зон на производственных площадках, где возможен случайный травмоопасный контакт человека с движущимися частями машин и механизмов, таких как:

•  прессы и штамповочные аппараты,

  роботизированные манипуляторы,

• станки: токарные, фрезерные и другие,

• конвейеры, нории и транспортеры,

• автоматические упаковщики,

• аппараты для автоматизированной сварки,

• бурильное оборудованием и т.д.

Наибольшее распространение фотобарьеры получили в отраслях промышленности:

 -  машиностроение,

 -  металлургия,

 -  автопром,

 -  производство станков и оборудования,

 -  пищевое производство,

 -  химическая промышленность и многие другие.

Функциональное описание

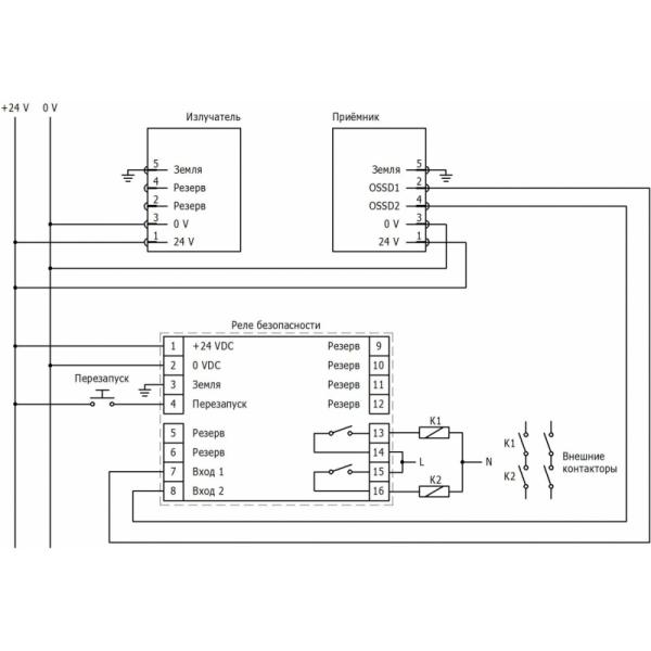
Фотобарьер состоит из двух частей - многолучевой приёмник и  многолучевой излучатель, каждый представляет из себя панель-стойку со встроенными оптическими элементами. Стойки фотобарьера устанавливаются напротив друг друга, таким образом, чтобы свет от излучателя попадал в панель приёмника. При появлении объекта между излучателем и приёмником происходит прерывание оптического потока, что приводит к срабатыванию встроенного коммутационного элемента.

Эксплуатация

Оптические барьеры следует закреплять в любом положении, которое обеспечивает прямую оптическую видимость между излучателем и приёмником.


Электрическое подключение - строго в соответствии со схемой подключения, приведённой в паспорте на изделие при отключенном напряжении питания.

Характеристики
Количество лучей64 луча
Разрешение20 мм (защита пальцев рук)
Контролируемая высота барьера1280 мм
Минимальный размер контролируемого объекта25 мм
Способ подключенияразъём герм. IP68
Ширина барьера номинальная25000 мм
Контролируемая ширина барьера (рабочая)20000 мм
Ток потребления приемникане более 1 А
Ток потребления излучателяне более 500 мА
Время срабатыванияне более 64 мс
Температура эксплуатации фотобарьера0...+75°С
Защита от пылиусиленная
Наличие виброгасителейнет
Диапазон рабочих напряжений10…30 В [DC]
Номинальное напряжение питания24 В [DC]
Пульсации рабочих напряженийне более 10%
Падение напряжения на приемникене более 2.5 В
Ток нагрузкине более 400 мА
Задержка срабатыванияне более 0.1 с
Комплексная защита приемникаесть
Индикация включенияесть
Индикация питанияесть
Степень защиты по ГОСТ 14254-96IP54
Материал оптикистекло акриловое
<

По интересующей продукции, пожалуйста свяжитесь по телефонам:

+375 (29) 697-11-02
+375 (29) 697-00-02

Или отправить запрос на нашу электронную почту: info@sensorica.by

2022 © www.sensor24.by - создан в веб-студии VL Минск