mail.sensorica.by@gmail.com +375 29-697-00-02 контактный телефон a1

BORE02 оптический фотобарьер variant BORE02-S6000-2-280-P01

Артикул(Код товара): BORE02-S6000-2-280-P01

Консультация и подбор оборудования:

ПозвонитьОнлайн-заявка
Количество лучей: 
2 луча
Ширина барьера: 
6000 мм
Разрешение: 
280 мм (защита рук и ног)
Контролируемая высота барьера: 
560 мм

Описание

Фотобарьер серии «BORE»  – электронное устройство промышленной безопасности, обеспечивающее ограничение доступа человека и посторонних предметов к представляющим опасность машинам, механизмам и их частям согласно нормам ГОСТ IEC 61496-1-2016.

   • Устройство относится к Типу 4 (высший тип безопасности) надёжности согласно ГОСТ IEC 61496-1-2016.

   • Устройство соответствует наивысшим максимально достижимым требованиям к уровню безопасности SIL 3, SIL cl 3 и PL e согласно IEC 61508, IEC 62061 и ISO 13849-1 соответственно.


   • Устройство соответствует ТР ТС 004/2011 «О безопасности низковольтного оборудования».

   • Устройство соответствует ТР ТС 020/2011 «Электромагнитная совместимость технических средств».

Оптический барьер (завеса безопасности) применяется для контроля опасных зон на производственных площадках, где возможен случайный травмоопасный контакт человека с движущимися частями машин и механизмов, таких как:

•  прессы и штамповочные аппараты,

  роботизированные манипуляторы,

• станки: токарные, фрезерные и другие,

• конвейеры, нории и транспортеры,

• автоматические упаковщики,

• аппараты для автоматизированной сварки,

• бурильное оборудованием и т.д.

Наибольшее распространение фотобарьеры получили в отраслях промышленности:

 -  машиностроение,

 -  металлургия,

 -  автопром,

 -  производство станков и оборудования,

 -  пищевое производство,

 -  химическая промышленность и многие другие.

Функциональное описание

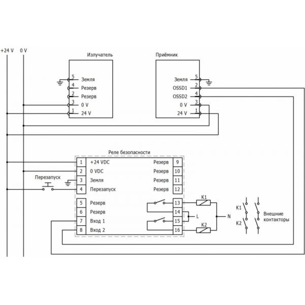
Фотобарьер состоит из двух частей - многолучевой приёмник и  многолучевой излучатель, каждый представляет из себя панель-стойку со встроенными оптическими элементами. Стойки фотобарьера устанавливаются напротив друг друга, таким образом, чтобы свет от излучателя попадал в панель приёмника. При появлении объекта между излучателем и приёмником происходит прерывание оптического потока, что приводит к срабатыванию встроенного коммутационного элемента.

Эксплуатация

Оптические барьеры следует закреплять в любом положении, которое обеспечивает прямую оптическую видимость между излучателем и приёмником.


Электрическое подключение - строго в соответствии со схемой подключения, приведённой в паспорте на изделие при отключенном напряжении питания.

Характеристики
Количество лучей2 луча
Разрешение280 мм (защита рук и ног)
Контролируемая высота барьера560 мм
Минимальный размер контролируемого объекта285 мм
Способ подключенияразъём герм. IP68
Ширина барьера номинальная6000 мм
Контролируемая ширина барьера (рабочая)4800 мм
Ток потребления приемникане более 1 А
Ток потребления излучателяне более 100 мА
Время срабатыванияне более 2 мс
Температура эксплуатации фотобарьера0...+75°С
Защита от пылиусиленная
Наличие виброгасителейнет
Диапазон рабочих напряжений10…30 В [DC]
Номинальное напряжение питания24 В [DC]
Пульсации рабочих напряженийне более 10%
Падение напряжения на приемникене более 2.5 В
Ток нагрузкине более 400 мА
Задержка срабатыванияне более 0.1 с
Комплексная защита приемникаесть
Индикация включенияесть
Индикация питанияесть
Степень защиты по ГОСТ 14254-96IP54
Материал оптикистекло акриловое
<

По интересующей продукции, пожалуйста свяжитесь по телефонам:

+375 (29) 697-11-02
+375 (29) 697-00-02

Или отправить запрос на нашу электронную почту: info@sensorica.by

2022 © www.sensor24.by - создан в веб-студии VL Минск