Описание
Фотобарьер серии «BORE» – электронное устройство промышленной безопасности, обеспечивающее ограничение доступа человека и посторонних предметов к представляющим опасность машинам, механизмам и их частям согласно нормам ГОСТ IEC 61496-1-2016.
• Устройство относится к Типу 4 (высший тип безопасности) надёжности согласно ГОСТ IEC 61496-1-2016.
• Устройство соответствует наивысшим максимально достижимым требованиям к уровню безопасности SIL 3, SIL cl 3 и PL e согласно IEC 61508, IEC 62061 и ISO 13849-1 соответственно.
• Устройство соответствует ТР ТС 004/2011 «О безопасности низковольтного оборудования».
• Устройство соответствует ТР ТС 020/2011 «Электромагнитная совместимость технических средств».
Оптический барьер (завеса безопасности) применяется для контроля опасных зон на производственных площадках, где возможен случайный травмоопасный контакт человека с движущимися частями машин и механизмов, таких как:
• прессы и штамповочные аппараты,
• роботизированные манипуляторы,
• станки: токарные, фрезерные и другие,
• конвейеры, нории и транспортеры,
• автоматические упаковщики,
• аппараты для автоматизированной сварки,
• бурильное оборудованием и т.д.
Наибольшее распространение фотобарьеры получили в отраслях промышленности:
- машиностроение,
- металлургия,
- автопром,
- производство станков и оборудования,
- пищевое производство,
- химическая промышленность и многие другие.
Функциональное описание
Фотобарьер состоит из двух частей - многолучевой приёмник и многолучевой излучатель, каждый представляет из себя панель-стойку со встроенными оптическими элементами. Стойки фотобарьера устанавливаются напротив друг друга, таким образом, чтобы свет от излучателя попадал в панель приёмника. При появлении объекта между излучателем и приёмником происходит прерывание оптического потока, что приводит к срабатыванию встроенного коммутационного элемента.
Эксплуатация
Оптические барьеры следует закреплять в любом положении, которое обеспечивает прямую оптическую видимость между излучателем и приёмником.
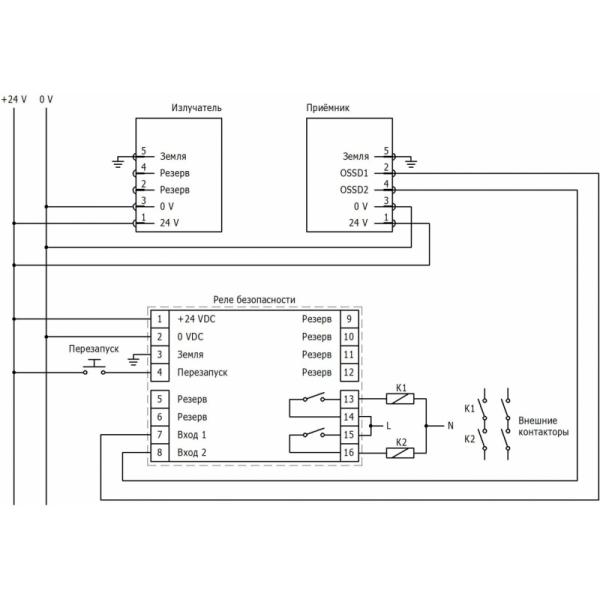
Электрическое подключение - строго в соответствии со схемой подключения, приведённой в паспорте на изделие при отключенном напряжении питания.
| Характеристики | |
| Количество лучей | 2 луча |
| Разрешение | 280 мм (защита рук и ног) |
| Контролируемая высота барьера | 560 мм |
| Минимальный размер контролируемого объекта | 285 мм |
| Способ подключения | разъём герм. IP68 |
| Ширина барьера номинальная | 2000 мм |
| Контролируемая ширина барьера (рабочая) | 1600 мм |
| Ток потребления приемника | не более 1 А |
| Ток потребления излучателя | не более 65 мА |
| Время срабатывания | не более 2 мс |
| Температура эксплуатации фотобарьера | 0...+75°С |
| Защита от пыли | стандартная |
| Наличие виброгасителей | есть |
| Диапазон рабочих напряжений | 10…30 В [DC] |
| Номинальное напряжение питания | 24 В [DC] |
| Пульсации рабочих напряжений | не более 10% |
| Падение напряжения на приемнике | не более 2.5 В |
| Ток нагрузки | не более 400 мА |
| Задержка срабатывания | не более 0.1 с |
| Комплексная защита приемника | есть |
| Индикация включения | есть |
| Индикация питания | есть |
| Степень защиты по ГОСТ 14254-96 | IP54 |
| Материал оптики | стекло акриловое |
| +375 (29) 697-11-02 | ![]() |
| +375 (29) 697-00-02 |












