mail.sensorica.by@gmail.com +375 29-697-00-02 контактный телефон a1

SESH-B30N101F датчик ёмкостный variant SESH-B30N101F-NONC-NPN-SNR20-TF

Артикул(Код товара): SESH-B30N101F-NONC-NPN-SNR20-TF

Консультация и подбор оборудования:

ПозвонитьОнлайн-заявка

Описание

Выключатель бесконтактный ёмкостный применяется в автоматизированных системах управления технологическими процессами в качестве датчика обнаружения физических объектов. Объектами могут быть как сыпучие, так и жидкие среды, а так же различные технологические части машин и механизмов изготовленные из любых материалов, чья относительная диэлектрическая проницаемость (ε) выше 1,2.

Принцип действия

Датчик бесконтактный ёмкостный – электронное устройство, реагирующее на изменение относительной диэлектрической проницаемости в зоне чувствительности сенсора. Благодаря бесконтактному принципу действия и отсутствию механических подвижных частей датчик обеспечивает высокоточную и надежную работу оборудования.

Применение

Датчик может быть использован в качестве сигнализатора уровня сыпучих веществ (комбикорма, зерна и т.д.), жидкости (воды, нефтепродуктов и т.д.) или в качестве конечного выключателя в технологическом оборудовании.

Характеристики
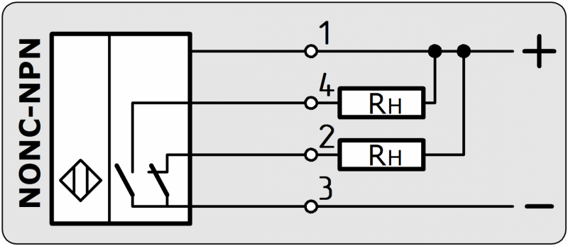
Напряжение питания | Схема подключения24V DC | NPN
Тип коммутацииNO/NC
Диапазон питающего напряжения10…30 В [DC]
Допустимая пульсация питающего напряжения 10%
Падение напряжения на датчике 2,1 В
Ток потребления, не более15 мА
Коммутируемый ток [DC]400 мА
Коммутируемое напряжение [DC]10…30 В
Максимальная частота переключения150 Гц
Комплексная защитаесть
ТипоразмерM30x1,5 (с резьбой)
Таймер задержкиотсутствует
Способ установки в металлнезаподлицо
Номинальное расстояние [Sn]0...20 мм
Гистерезис5...20%
Индикация состояния ключаесть
Герметичность по ГОСТ 14254-96IP68/IP65
Материал корпуса Ч.Э.текаформ
Автоматический подогревесть
<

По интересующей продукции, пожалуйста свяжитесь по телефонам:

+375 (29) 697-11-02
+375 (29) 697-00-02

Или отправить запрос на нашу электронную почту: info@sensorica.by

2022 © www.sensor24.by - создан в веб-студии VL Минск