Описание
Выключатель бесконтактный ёмкостный применяется в автоматизированных системах управления технологическими процессами в качестве датчика обнаружения физических объектов. Объектами могут быть как сыпучие, так и жидкие среды, а так же различные технологические части машин и механизмов изготовленные из любых материалов, чья относительная диэлектрическая проницаемость (ε) выше 1,2.
Принцип действия
Датчик бесконтактный ёмкостный – электронное устройство, реагирующее на изменение относительной диэлектрической проницаемости в зоне чувствительности сенсора. Благодаря бесконтактному принципу действия и отсутствию механических подвижных частей датчик обеспечивает высокоточную и надежную работу оборудования.
Применение
Датчик может быть использован в качестве сигнализатора уровня сыпучих веществ (комбикорма, зерна и т.д.), жидкости (воды, нефтепродуктов и т.д.) или в качестве конечного выключателя в технологическом оборудовании.
| Характеристики | |
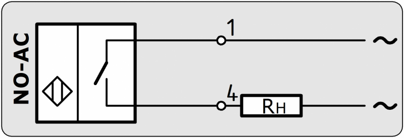
| Напряжение питания | Схема подключения | 220V AC | 2-проводн |
| Тип коммутации | NO |
| Таймер задержки | 10 мин (фиксир.отпускание) -TB10M |
| Напряжение питания | Переменное [AC] |
| Диапазон питания | 20...250 В [AC] |
| Падение напряжения на датчике | 6В |
| Ток потребления, не более | 2,5 мА |
| Остаточный ток, не более | 2,5 мА |
| Коммутируемый ток [AC] | 5...500 мА |
| Максимальная частота переключения | 20 Гц |
| Защита от превышения тока в нагрузке | есть |
| Задержка отпускания | 10 мин (фиксир.) |
| Заводская задержка | 10 мин (отпускание) |
| Типоразмер | M18x1 (с резьбой) |
| Способ установки в металл | незаподлицо |
| Номинальное расстояние [Sn] | 0...15 мм |
| Гистерезис | 5...20% |
| Индикация состояния ключа | есть |
| Герметичность по ГОСТ 14254-96 | IP68/IP65 |
| Материал корпуса Ч.Э. | текаформ |
| Автоматический подогрев | нет |
| +375 (29) 697-11-02 | ![]() |
| +375 (29) 697-00-02 |









