Описание
Датчик рекомендован для использования в микроклиматических системах с тяжёлыми условиями эксплуатации в том числе на предприятиях сельского хозяйства (теплицы, грибные фермы, птицефабрики, свинофермы и т.д.), в печах обжига кирпичей или сушки древесины, а так же в системах вентиляции жилых и промышленных зданий.
Функциональное описание
• Датчик преобразует изменения температуры и влажности воздуха в унифицированные аналоговые сигналы с пропорциональной зависимостью. Принцип измерения относительной влажности основан на зависимости диэлектрической проницаемости полимерного сорбента, используемого в качестве влагочувствительного слоя, от количества сорбированной влаги (ёмкостный принцип измерения), измерение температуры основано на изменении электрического сопротивления чувствительного элемента.
• Система индикация датчика сообщает о самодиагностике и режимах работы.
• Высокая стабильность показаний и надёжность достигается благодаря очень качественному сенсору, прецизионному качеству электронных компонентов и технологичности схемы преобразования.
• Чувствительный элемент защищён от попадания пыли и воздействия агрессивных газов (аммиак и т.д.).
• Качество BESKONTA подтверждено сертификатами: качества ISO9001:2015 и соответствия ГОСТ Р.
Эксплуатация
Датчик устанавливается в любом положении в месте, где необходимо измерять температуру и влажность воздуха. Датчик должен показывать реальный уровень температуры и влажности именно в контролируемой зоне.
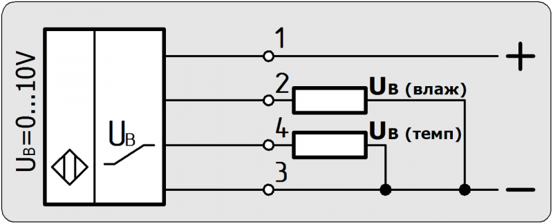
Электрическое подключение - строго в соответствии со схемой подключения, приведённой в паспорте на изделие при отключенном напряжении питания.
| Характеристики | |
| Выходной сигнал | 0...10 В |
| Электрическое подключение | разъём герм. IP68 |
| Номинальное напряжение питания | 24 В [DC] |
| Ток потребления | не более 20 мА |
| Сопротивление нагрузки | 10 кОм |
| Конструктивное исполнение | настенное с выносным элементом |
| Точность преобразования температуры | ±0.5 °C |
| Шкала измерения влажности | 0...100 %RH |
| Шкала измерения температуры | -40...+60 °C |
| Точность в диапазоне 15...85% | не менее ±2%RH |
| Точность в диапазоне 0...15% и 85...100% | не менее ±3%RH |
| Герметичность по ГОСТ 14254-96 | IP43 |
| Материал корпуса Ч.Э. | текаформ |
| Защита от неправильного подключения | есть |
| Диапазон рабочих температур | -40...+85 °C |
| Время готовности после подачи питания | 10 с |
| +375 (29) 697-11-02 | ![]() |
| +375 (29) 697-00-02 |









